锂电池保护板的工作原理网上很多,但说实在,很多只是为了流量,很少人看得明白的。
今天我用一个非常简单的方式给大家详细介绍锂电池保护板保护板的工作原理。
锂电池保护板里面最重要最核心的部位就是IC了,刚采购回来的IC,里面是空白的,大家都知道IC是可以存储数据的。
所以要把数据烧录进IC,这样来说,每一块保护板里面的数据都是不一样的,比如你是三元锂电池保护板,还是磷酸铁锂电池保护板呢?你是多少串的?你是多少安的?等等数据都可以烧录进IC。
当出现超出数据的情况发生的时候,这个时候MOS管就要开始执行工作了,断开电源,以达到保护电池的作用。
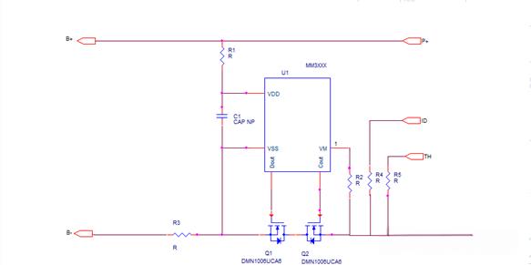
具体怎么样操作的,可以参考下面的工作原理图,我进一步解析,你就很容易就学会的。

P+,P-为电池连接器上的VBAT+与VBAT-即主要与外界直接联系的供电,B+,B-为电池电芯的正负极,U1为控制IC芯片。
下面我说一下过充,过放,过流,短路的情况,保护板是如何工作的,大家可以结合上面工作原理来看看
1,过充的情况
过充的后果我这里就不说了,控制IC会检测VDD-VSS压差,当压差超过保护值时,IC控制“CO”脚将由高电平转换为低电平,此时MOS管关断,形成断路,从而起到了充电保护的作用
2,过放的情况
放电过程中,当出现过放,即放电至3.0V后,电池还在放电,且达到保护板设定的电压值时(一般为2.8V),控制IC检测电芯电压后,将“DO”脚将有高电平转换为零电平,使得Q2mos管关断,从而切断放电回路,此时电池无法对负载进行放电,起到了保护的作用
3,过流的情况
控制IC上的脚会对VM脚的电压值不断的检测。若负载因为某种原因导致回路电流过大,使得MOS管的导通压降大于规定值时,其“DO”脚将会由高电平转换为零电平,使得Q2 MOS管关断,从而切断回路,使得回路电流为0,起到过电流保护作用
4,短路的情况
电池在对负载放电时,若回路电流大到使得VM脚检测到的电压值大于规定值时,控制IC则判断为负载短路,其“DO”脚将迅速由高电平转换为零电平,使得Q2 MOS管由导通变为关断,从而切断放电回路,起到短路保护的作用。短路保护的延时时间较短,通常是微秒级别。且短路保护的电流值远大于过流保护的电流值
这里我就不介绍出现过充,过放,过流,短路等情况的解决方法,我会用另外的文章详细介绍解决方法,这里只是介绍工作原理。









